令和7年度住宅リフォーム支援事業費補助金
※令和7年度住宅リフォーム支援事業受付終了について
令和8年1月9日をもって受付を終了しました。
4月1日からの令和8年度事業の開始に向けて現在準備中です。




各種様式のダウンロードはこちらから⇩
「令和7年度住宅リフォーム支援事業案内リーフレット」をダウンロードする(PDF:492kB)
⇧申請書類をパソコンで入力される場合は、申請者名の隣に押印をお願いします。
⇧委任状は申請者の署名があっても押印が必要です。
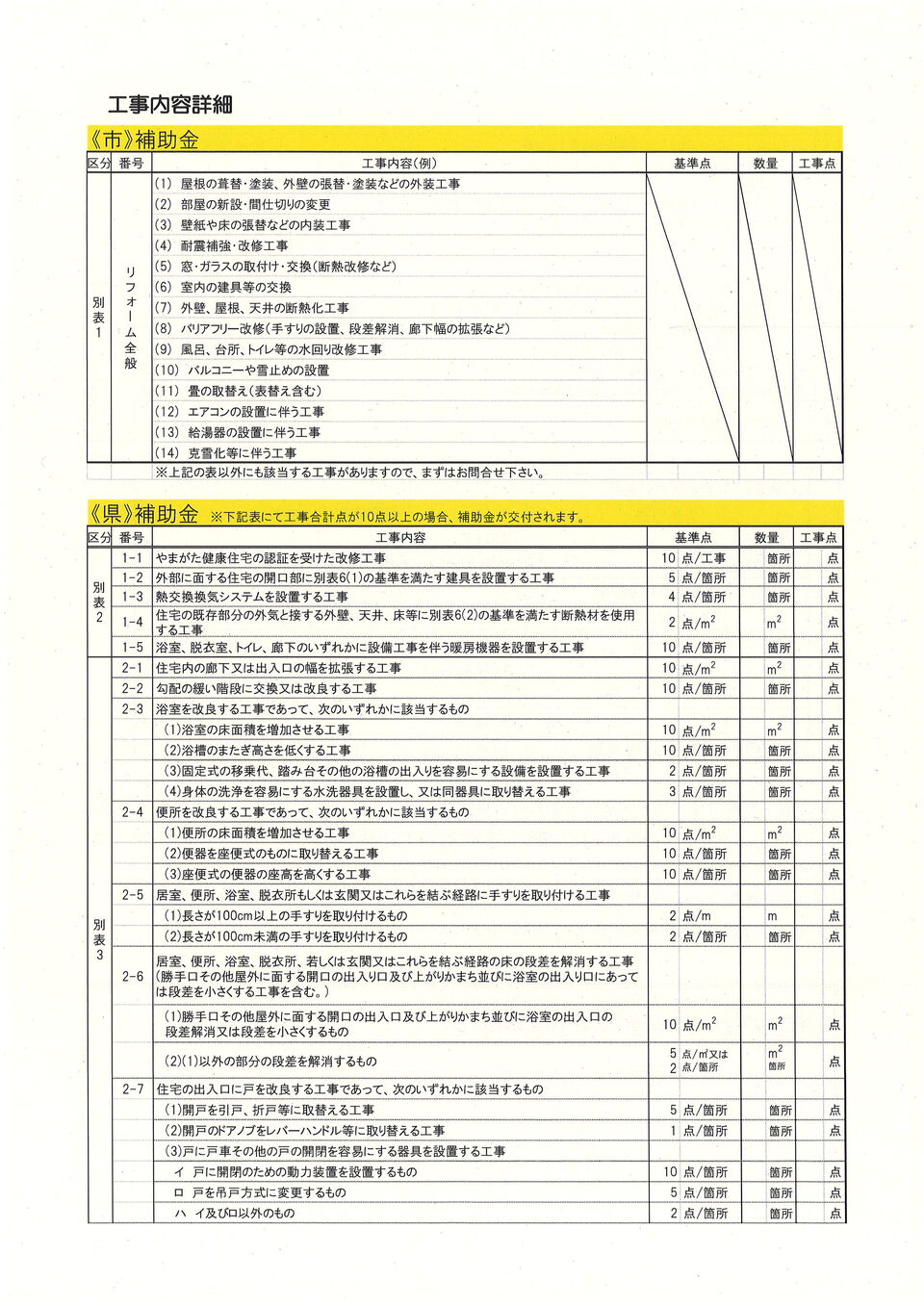
⇧県の要件工事に該当する場合、記載が必要です。
「断熱リフォームチェックリスト」をダウンロードする(DOCX:19kB)
「【記載例】断熱リフォームチェックリスト」をダウンロードする(PDF:130kB)
⇧建具や断熱材追加等の断熱化改修工事を実施する際に記載が必要です。
「変更(廃止)承認申請書」をダウンロードする(DOCX:19kB)
このページに関するお問い合せ
建設課都市住宅係
尾花沢市若葉町一丁目2番3号
TEL:0237‐22-1114